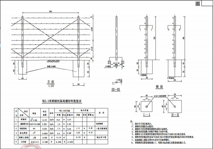
刺钢丝隔离栅材料要求、施工事项、工艺规范

一、刺钢丝隔离栅的材料
刺钢丝网隔离栅采用圆钢管立柱。刺丝采用 12 号低碳钢丝或低合金钢丝制作,应符合《一 般用途低碳钢丝》(GB343)、《一般用途热镀锌低碳钢丝》的规定。刺钢丝网隔离栅立柱、斜撑、门柱采用先镀锌后浸塑方式,镀锌量不得低于 275g/㎡,紧固件、连接件为 120g/㎡,涂塑层厚度应大于 0.25mm。具体参见《公路交通工程钢构件防腐蚀技术条件》(GB∕T18226-2015)。
二、刺钢丝隔离栅施工注意事项
热浸镀锌浸塑刺钢丝网隔离栅要求采用正、反间隔缠绕刺花,这样可以抵消缠绕内应力, 施工过程中可以避免挠弯,短距离展开即可施工,刺钢丝拉紧固定后的中心垂度应小于15mm。隔离设施的安装施工一般宜在路基施工完成以后,在不影响工程施工的情况下,应尽早开始。安装施工前应做出详细的施工组织设计。隔离栅应严格按图纸要求及实际地形地物的情况进行施工放样,定出立柱中心线进行必要的清场和挖除树根以便按规定的坡度和线形修建隔离栅。立柱的埋设,应分段进行,先埋两端的立柱,然后拉线埋设中间立柱,从纵向看,立柱的轴线应在一条直线上,不得出现参差不齐的现象,从高度看,柱顶应平顺,不得出现高低不平的情况。立柱、支撑或锚头埋入混凝土基础中时,应设置必要的临时拉索或支撑, 以把立柱固定于适当位置,直到混凝土硬化为止。在混凝土养生 7d 期间,不应在立柱、拉索和支撑上安装或拉紧任何材料或部件。所有立柱均应按照图纸要求和线形垂直埋设。
三、刺钢丝隔离栅工艺要求
1、图中尺寸均以毫米计。
2 、刺钢丝的刺距为10厘米。
3 、刺钢丝可采用普通低碳钢丝或低合金钢丝。
4 、刺钢丝的抗拉断力荷载不得低于2500牛顿。
5 、刺钢丝与立柱表面的防腐层厚度应符合GB/118226-2015相关要求。
6 、刺钢丝的防腐应符合GB/T18226-2015中规定的耐盐雾实验少200小时的要求。
7、基础混凝土强度达到70%后方可安装刺钢丝.
8、 普通路段设置基础混凝土I,每隔100m及端头设置基础混凝土Ⅱ。
