高速公路隔离栅设计生产安装规范

一、高速公路隔离栅设计说明
隔离栅的主要作用是将公路用地隔离出来,同时将可能影响交通安全的人和畜等与高速公路分离开来,从而确保行车安全、排除横向干扰、充分发挥公路功能、保证高速公路的正常运营。

二、高速公路隔离栅设计原则
设置隔离栅的目的是防止行人或与高速公路无关人员随意穿越高速公路,避免牲畜或其它动物进入高速公路,防止意外事故的发生。其具体布设原则是:
(1)本项目沿线路况,除符合下列条件之一者,其余均应设置隔离设施:
1)路侧有水渠、池塘、湖泊等天然屏障,认为将来不用担心有人进入和非法侵占公路用地区段;
2)路侧有高度大于 1.5m 的挡土墙或砌石等陡坎,人、畜不能进入的区段;
3)桥梁、通道等构造物,除桥头、洞口需与路堤隔离设施连接封死以外的区段。
4)挖方路基边坡垂直挖方高度超过 20m 且坡度大于 70 °的路段。
(2)隔离栅遇桥梁、通道、车行和 l 人行涵洞时,应在桥头锥坡或端墙处进行回封。对于行人通过较多的路段,可应择强度高的结构进行围封。
(3)隔离栅遇跨径小于 2m 的涵洞才可直接跨越, 跨越处应进行围封, 防止行人和动物误入。
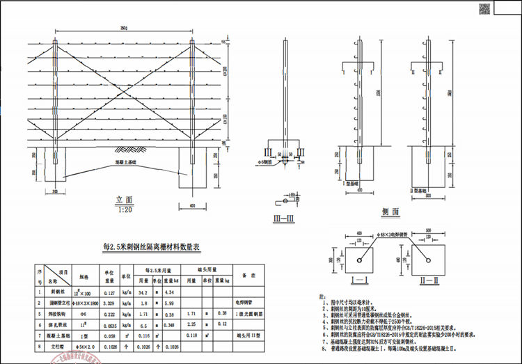
(4)隔离棚的中心线应沿公路用地范围界限以内 20~50cm 处设置。
(5)为满足公路、 桥梁和通道等养护管理的需要, 可在进出高速公路、 需要控制出人的一级公路的适当位置设置便于开启以满足车辆或人员进出的隔离棚活动门,隔离棚的立柱需要根据活动门的大小和开启情况进行加强。
(6)在行人、动物无法误入分离式路基内侧中间区域的条件下,可仅在分离式路基外侧设 置隔离棚;在行人、动物可以误入分离式路基内侧中间区域的条件下,宜在分离式路基内侧行人和动物误人的位置设置隔离栅。
(7)本项目在大桥、特大桥两侧桥头各设有隔离栅门。 从经济实用美观的角度出发,在互通立交区、服务区、停车区采用果绿色焊接网隔离栅; 在主线路段上采用果绿色刺钢丝网隔离栅。
