高速公路刺铁丝围栏多少钱一米

高速公路刺铁丝围栏一般说明:
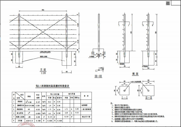
1、图中尺寸均以毫米计。
2 、刺钢丝的刺距为10厘米。
3 、刺钢丝可采用普通低碳钢丝或低合金钢丝。
4 、刺钢丝的抗拉断力荷载不得低于2500牛顿。
5 、刺钢丝与立柱表面的防腐层厚度应符合GB/118226-2015相关要求。
6 、刺钢丝的防腐应符合GB/T18226-2015中规定的耐盐雾实验少200小时的要求。
7、基础混凝土强度达到70%后方可安装刺钢丝。
8、 普通路段设置基础混凝土Ⅰ,每隔10伽及端头设置基础混凝土Ⅱ。
